Profil du membre Martien-071
Actuellement
23 805
questions dans le
forum électroménager
Membre inscrit Martien-071
a posté 2 159 messages sur les forums BricoVidéo :
Oups ... oublié illustration de l'outil ...
Pour agrandir l'image, cliquez dessus.

Pour agrandir l'image, cliquez dessus.

29 novembre 2025 à 10:48
consulter ce sujet Impossible de dévisser un radiateur métal des années 60 sur le forum PlomberieBonjour les Terriens !
Il n'y a donc absolument rien qui tourne ...
Personnellement pour ce genre d'opération j'utilise l'outil illustré ci-dessous ( dans ma région on l'appelle "pince à gaz" ) et place des petits plats en aluminium dans les mords en guise de mordaches afin de ne pas endommager la surface de l'écrou.
Parfois un petit coup de maillet ( pas marteau ! ) sur l'extrémité du manche permet de décaler.
Cordialement, Martien-071
Citation :
Je n'arrive pas à dévisser
Il n'y a donc absolument rien qui tourne ...
Personnellement pour ce genre d'opération j'utilise l'outil illustré ci-dessous ( dans ma région on l'appelle "pince à gaz" ) et place des petits plats en aluminium dans les mords en guise de mordaches afin de ne pas endommager la surface de l'écrou.
Parfois un petit coup de maillet ( pas marteau ! ) sur l'extrémité du manche permet de décaler.
Cordialement, Martien-071
29 novembre 2025 à 10:47
consulter ce sujet Impossible de dévisser un radiateur métal des années 60 sur le forum PlomberieBonjour les Terriens !
Au vu du prix de l'appareil 115 €.
Il me semble qu'une réparation devrait être envisagée.
Ce n'est pas vraiment un appareil de chez Bricotruc.
Un nettoyage et une vérification des contacts du commutateur rotatif pourraient être tenté.
Je joins à ce message le mode d'emploi d'un appareil de la gamme (850) et le schéma électronique d'un autre (860).
Je pense (aucune certitude) que l'étage d'entrée doit être quasi identique sur le 830.
Il serait intéressant de connaître la valeur figée affichée à l'écran.
Cordialement, Martien-071
voltcraft dmm vc 860 sch.pdf
voltcraft vc850 fr.pdf
Au vu du prix de l'appareil 115 €.
Il me semble qu'une réparation devrait être envisagée.
Ce n'est pas vraiment un appareil de chez Bricotruc.
Un nettoyage et une vérification des contacts du commutateur rotatif pourraient être tenté.
Je joins à ce message le mode d'emploi d'un appareil de la gamme (850) et le schéma électronique d'un autre (860).
Je pense (aucune certitude) que l'étage d'entrée doit être quasi identique sur le 830.
Il serait intéressant de connaître la valeur figée affichée à l'écran.
Cordialement, Martien-071
voltcraft dmm vc 860 sch.pdf
voltcraft vc850 fr.pdf
29 novembre 2025 à 10:30
consulter ce sujet Panne multimètre Voltcraft VC830 sur le forum ÉlectricitéBonjour Terrien.
Oui mais qu'est-ce qui "disjoncte" ? Un interrupteur différentiel ou un disjoncteur ?
Interrupteur différentiel => défaut d'isolement :liaison phase ou neutre à la terre.
Disjoncteur => surcharge ou court-circuit.
La résistance à froid n'est peut être pas à la "masse" mais qu'en est-il à chaud ?
Cordialement, Martien-071
Citation :
J'ai un appareil ... qui fait disjoncter
Oui mais qu'est-ce qui "disjoncte" ? Un interrupteur différentiel ou un disjoncteur ?
Interrupteur différentiel => défaut d'isolement :liaison phase ou neutre à la terre.
Disjoncteur => surcharge ou court-circuit.
La résistance à froid n'est peut être pas à la "masse" mais qu'en est-il à chaud ?
Cordialement, Martien-071
26 novembre 2025 à 21:11
consulter ce sujet Appareil à raclette Moulinex qui fait disjoncter sur le forum ÉlectricitéBonjour Terrien !
J’avoue ne pas trop comprendre votre question ...
On ne sait pour quelle application ... Une commutation de triphasé peut-être ?
Je ne vois pas de "connecteur" mais un contacteur comportant 4 contact NO : 3 destinés à commuter de la "puissance" et 1 contact auxiliaire.
Dans l'attente de plus de précisions,
Cordialement, Martien-071
J’avoue ne pas trop comprendre votre question ...
Citation :
Pourriez-vous le dire comment brancher mes 3 fils sur ce genre de connecteur ?
On ne sait pour quelle application ... Une commutation de triphasé peut-être ?
Je ne vois pas de "connecteur" mais un contacteur comportant 4 contact NO : 3 destinés à commuter de la "puissance" et 1 contact auxiliaire.
Dans l'attente de plus de précisions,
Cordialement, Martien-071
26 novembre 2025 à 18:14
consulter ce sujet Branchement contacteur 4 pôles 1 NO 380 415 V AC sur le forum ÉlectricitéBonjour Terrien !
Je ne suis pas spécialiste en chauffage.
Ma réponse risque de ne pas vous plaire et pourtant ...
Votre chaudière est apparemment un modèle à condensation.
Il est fortement déconseillé de brancher un thermostat ( simple contact sec - tout ou rien - marche / arrêt ) sur une chaudière à condensation. VETC (Mario) spécialiste en chauffage s'est évertué à le dire sur ce forum.
Cette possibilité n'est peut-être pas/plus prévue par le fabricant avec raison.
La chaudière à condensation, pour fonctionner efficacement et économiquement doit effectuer des cycles de fonctionnement complets.
Cette chaudière dispose d'un système de régulation avec sonde extérieure, sonde d'ambiance intérieure avec réglage ...
Un thermostat imposant des marches/arrêts viendrait "flinguer" la régulation et provoquerait des variations importantes et brutales de température.
La régulation "régule" c'est à dire qu'elle s'arrange pour que la température dans les pièces soit la plus proche de celle demandée et la plus constante et que la température d'eau de chauffage soit adaptée.
La température de l'eau de chauffage est adaptée suivant la demande en chauffage et suivant la température extérieure. ( sonde extérieure )
Un thermostat fonctionne en tout ou rien et deplus avec un hystérésis : Réglé sur 20°,au mieux on enclenche à 19° et on déclenche à 20° le prochain démarrage aura lieu quand la température sera descendue en dessous de 19°. => un fonctionnement en dent de scie.
Je suppose qu'avec un système Netatmo vous espériez commander votre chauffage à distance à l'aide de votre smartphone. Pour cela il vaut mieux voir si le fabricant de votre chaudière offre un système de ce genre qui lui sera vraiment adapté et respectera le fonctionnement "condensation".
Cordialement, Martien-071
Je ne suis pas spécialiste en chauffage.
Ma réponse risque de ne pas vous plaire et pourtant ...
Votre chaudière est apparemment un modèle à condensation.
Il est fortement déconseillé de brancher un thermostat ( simple contact sec - tout ou rien - marche / arrêt ) sur une chaudière à condensation. VETC (Mario) spécialiste en chauffage s'est évertué à le dire sur ce forum.
Cette possibilité n'est peut-être pas/plus prévue par le fabricant avec raison.
La chaudière à condensation, pour fonctionner efficacement et économiquement doit effectuer des cycles de fonctionnement complets.
Cette chaudière dispose d'un système de régulation avec sonde extérieure, sonde d'ambiance intérieure avec réglage ...
Un thermostat imposant des marches/arrêts viendrait "flinguer" la régulation et provoquerait des variations importantes et brutales de température.
La régulation "régule" c'est à dire qu'elle s'arrange pour que la température dans les pièces soit la plus proche de celle demandée et la plus constante et que la température d'eau de chauffage soit adaptée.
La température de l'eau de chauffage est adaptée suivant la demande en chauffage et suivant la température extérieure. ( sonde extérieure )
Un thermostat fonctionne en tout ou rien et deplus avec un hystérésis : Réglé sur 20°,au mieux on enclenche à 19° et on déclenche à 20° le prochain démarrage aura lieu quand la température sera descendue en dessous de 19°. => un fonctionnement en dent de scie.
Je suppose qu'avec un système Netatmo vous espériez commander votre chauffage à distance à l'aide de votre smartphone. Pour cela il vaut mieux voir si le fabricant de votre chaudière offre un système de ce genre qui lui sera vraiment adapté et respectera le fonctionnement "condensation".
Cordialement, Martien-071
26 novembre 2025 à 10:50
consulter ce sujet Brancher thermostat Netatmo sur chaudière Brötje BBK22D sur le forum ChauffageBonjour Terrien !
Je ne suis pas spécialiste en chauffage et encore moins en poêle !
D'après le manuel ( que je joins à ce message ) en page 4 il est indiqué que deux raccordements au conduit sont possibles en intervertissant buse et trappe de nettoyage à l'arrière au niveau de la boite à fumée.
Cordialement, Martien-071
Poêle à bois raccordements au conduit
Je ne suis pas spécialiste en chauffage et encore moins en poêle !
D'après le manuel ( que je joins à ce message ) en page 4 il est indiqué que deux raccordements au conduit sont possibles en intervertissant buse et trappe de nettoyage à l'arrière au niveau de la boite à fumée.
Cordialement, Martien-071
Poêle à bois raccordements au conduit
26 novembre 2025 à 09:55
consulter ce sujet Boîte à fumée poêle à bois Godin 3727 sur le forum ChauffageBonjour Terrien Guy !
D'autres contributeurs passeront certainement.
Votre question me semble fort incomplète :
De quel combiné Chambron s'agit-il ? Y a-t-il plusieurs moteurs ? pour les différentes fonctions ?
Sous quelle tension fonctionne la machine ? On suppose 3x 400 V.
Les termes utilisés ne sont pas tous " corrects" :
- Le LC1-D123 est un contacteur de puissance, la bobine fait partie de la commande de ce contacteur.
- le LR D12 316 n'est pas un "arrêt d'urgence" mais un relais de protection thermique qui évite les surchauffes du moteur en cas de dépassement de l'intensité réglée (normalement l'intensité nominale du moteur) sur une ou plusieurs phase(s).
ATTENTION !
Si la platine que vous présentez est la seule commande de la machine, le combiné ne répond pas aux règles de sécurité actuelles : manque au moins un système d'arrêt d'urgence comportant un bouton "coup de poing"
et un relais empêchant la remise en route de la machine sans intervention humaine si l'alimentation électrique est interrompue.
Un professionnel pourrait mettre cette machine en sécurité et conformité du moins côté électrique.
Qu'entendez-vous par la bobine " broute" ? Le contacteur ronfle ? Le contacteur vibre ? Le contacteur vibre au point que les contacts se ferment et s'ouvrent ?
Sur la photo on constate que la pièce maintenant les contacts est cassée ( voir le cercle rouge sur la photo ), une portion de ressort est visible. Cette pièce pourrait se mettre un peu de travers lorsque le contacteur est actionné et provoquer le défaut que vous constatez.
Le contacteur est un modèle ancien de Télémécanique ... il est possible qu'il soit en fin de vie.
Attention aussi à la commutation des phases ( puissance) , celle-ci se fait via un commutateur rotatif Entrelec V18H ...
On constate fréquemment des contacts brûlés sur des commutation de ce type. ( on préfère une commande par contacteurs )
De mauvais contacts au niveau de ce contacteur pourraient provoquer un fonctionnement erratique du contacteur.
Cordialement, Martien-071
Pour agrandir l'image, cliquez dessus.

D'autres contributeurs passeront certainement.
Votre question me semble fort incomplète :
De quel combiné Chambron s'agit-il ? Y a-t-il plusieurs moteurs ? pour les différentes fonctions ?
Sous quelle tension fonctionne la machine ? On suppose 3x 400 V.
Les termes utilisés ne sont pas tous " corrects" :
- Le LC1-D123 est un contacteur de puissance, la bobine fait partie de la commande de ce contacteur.
- le LR D12 316 n'est pas un "arrêt d'urgence" mais un relais de protection thermique qui évite les surchauffes du moteur en cas de dépassement de l'intensité réglée (normalement l'intensité nominale du moteur) sur une ou plusieurs phase(s).
Citation :
dans le cadre d'une association
ATTENTION !
Si la platine que vous présentez est la seule commande de la machine, le combiné ne répond pas aux règles de sécurité actuelles : manque au moins un système d'arrêt d'urgence comportant un bouton "coup de poing"
et un relais empêchant la remise en route de la machine sans intervention humaine si l'alimentation électrique est interrompue.
Un professionnel pourrait mettre cette machine en sécurité et conformité du moins côté électrique.
Qu'entendez-vous par la bobine " broute" ? Le contacteur ronfle ? Le contacteur vibre ? Le contacteur vibre au point que les contacts se ferment et s'ouvrent ?
Sur la photo on constate que la pièce maintenant les contacts est cassée ( voir le cercle rouge sur la photo ), une portion de ressort est visible. Cette pièce pourrait se mettre un peu de travers lorsque le contacteur est actionné et provoquer le défaut que vous constatez.
Le contacteur est un modèle ancien de Télémécanique ... il est possible qu'il soit en fin de vie.
Attention aussi à la commutation des phases ( puissance) , celle-ci se fait via un commutateur rotatif Entrelec V18H ...
On constate fréquemment des contacts brûlés sur des commutation de ce type. ( on préfère une commande par contacteurs )
De mauvais contacts au niveau de ce contacteur pourraient provoquer un fonctionnement erratique du contacteur.
Cordialement, Martien-071
Pour agrandir l'image, cliquez dessus.

19 novembre 2025 à 09:59
consulter ce sujet Bobine sur Combiné bois Chambon en tri sur le forum ÉlectricitéBonjour Terrien !
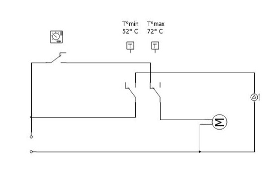
Je ne suis pas spécialiste en chauffage.
Il s'agit d'anciennes commande de chaudière sans réelle régulation ... qui semblent fort archaïques actuellement. Cela a fonctionné donc même si ce n'est pas optimal ça doit encore fonctionner.
J'avais émis l'hypothèse qu'un aquastat servait de consigne de température et l'autre de sécurité mais après avoir examiné les photos et avoir vu les température : 52° et 72° mon avis a un peu changé. 72°C me semble une température trop basse pour être celle d'un déclenchement de sécurité et 52°C me semble aussi trop basse pour une consigne de fonctionnement. ( surtout en 1977 où il me semble que l'on était plutôt entre 60 et 80°C )
Schéma 1
Le contact de l'aquastat réglé à 52°C maintient la chaudière à minimum 52°C qu'il y ait demande de chauffage ou non, ceci pour éviter des 'coups de froid" sur la chaudière et des cycles très longs pour remonter la température.
Le contact de l'aquastat réglé à 72°C sert à arrêter le brûleur lorsque la température a atteint cette valeur.
Le thermostat vient ponter l'aquastat réglé à 52°C de manière à atteindre les 72°C réglés sur l'autre aquastat.
Le circulateur était peut-être simplement branché en direct.
Schéma 2
Pas de température minimale pour la chaudière, le thermostat commande le brûleur et ce tant que la température n'a pas atteint les 72°C réglés à l'aquastat.
Le circulateur ne s'enclenche que lorsque la température de l'eau atteint 52°C.
Les "coups de froid" sur la chaudière ne sont pas évités.
Schéma 3
La température de la chaudière est maintenue constamment à 72°C.
Le thermostat commande le circulateur mais celui-ci ne peut être mis en service que si la chaudière a atteint au moins 52°C.
On élimine les "coups de froid".
Cordialement, Martien-071
Pour agrandir l'image, cliquez dessus.

Pour agrandir l'image, cliquez dessus.

Pour agrandir l'image, cliquez dessus.

Je ne suis pas spécialiste en chauffage.
Il s'agit d'anciennes commande de chaudière sans réelle régulation ... qui semblent fort archaïques actuellement. Cela a fonctionné donc même si ce n'est pas optimal ça doit encore fonctionner.
J'avais émis l'hypothèse qu'un aquastat servait de consigne de température et l'autre de sécurité mais après avoir examiné les photos et avoir vu les température : 52° et 72° mon avis a un peu changé. 72°C me semble une température trop basse pour être celle d'un déclenchement de sécurité et 52°C me semble aussi trop basse pour une consigne de fonctionnement. ( surtout en 1977 où il me semble que l'on était plutôt entre 60 et 80°C )
Schéma 1
Le contact de l'aquastat réglé à 52°C maintient la chaudière à minimum 52°C qu'il y ait demande de chauffage ou non, ceci pour éviter des 'coups de froid" sur la chaudière et des cycles très longs pour remonter la température.
Le contact de l'aquastat réglé à 72°C sert à arrêter le brûleur lorsque la température a atteint cette valeur.
Le thermostat vient ponter l'aquastat réglé à 52°C de manière à atteindre les 72°C réglés sur l'autre aquastat.
Le circulateur était peut-être simplement branché en direct.
Schéma 2
Pas de température minimale pour la chaudière, le thermostat commande le brûleur et ce tant que la température n'a pas atteint les 72°C réglés à l'aquastat.
Le circulateur ne s'enclenche que lorsque la température de l'eau atteint 52°C.
Les "coups de froid" sur la chaudière ne sont pas évités.
Schéma 3
La température de la chaudière est maintenue constamment à 72°C.
Le thermostat commande le circulateur mais celui-ci ne peut être mis en service que si la chaudière a atteint au moins 52°C.
On élimine les "coups de froid".
Cordialement, Martien-071
Pour agrandir l'image, cliquez dessus.

Pour agrandir l'image, cliquez dessus.

Pour agrandir l'image, cliquez dessus.

18 novembre 2025 à 10:27
consulter ce sujet Raccordement aquastat chaudière Buderus Logano sur le forum ChauffageBonjour Terrien !
Là sont les limites de l' IA ... la théorie mais quand il faut passer à la pratique c'est une autre histoire !
Il me semble bien que pour le remplissage/remise en pression de l'installation il faut ouvrir le robinet (qui est suivi d'un clapet anti-retour) entouré en rouge sur la photo.
Gardez bien le manomètre à l’œil de manière à ne pas mettre trop de pression !
Cordialement,
Martien-071
Pour agrandir l'image, cliquez dessus.

Là sont les limites de l' IA ... la théorie mais quand il faut passer à la pratique c'est une autre histoire !
Il me semble bien que pour le remplissage/remise en pression de l'installation il faut ouvrir le robinet (qui est suivi d'un clapet anti-retour) entouré en rouge sur la photo.
Gardez bien le manomètre à l’œil de manière à ne pas mettre trop de pression !
Cordialement,
Martien-071
Pour agrandir l'image, cliquez dessus.

16 novembre 2025 à 09:58
consulter ce sujet Problème pression chaudière Optimagaz 3000 sur le forum PlomberieBonjour Terrien !
Les spécifications de ce type de thermostat ont déjà posé quelques problèmes ... voir :
Contact relais thermostat se met à coller au bout de 20 jours
Le contact du thermostat est prétendu supporter une intensité de 0,5 A (500 mA) sous 230 V ce qui n'est pas énorme et à un cos φ de 0,8 de surcroit.
Contact sec (ne veut pas dire qu'il existe des contacts humides ou mouillés) signifie que le contact est libre de potentiel : il n'est relié à rien d'autre dans l'appareil qu'aux deux bornes.
Dans le cas de la chaudière il s'installe sur le bornier de la chaudière soit à la place du pont placé par le fabricant soit à la place d'un autre thermostat.
NON ! Le cos φ peut varier que ce soit en France ou ailleurs, il dépend de la charge.
Le cosinus φ appelé aussi facteur de puissance est le rapport entre la puissance active P (exprimé en W) et la puissance apparente S (exprimée en VA). Il correspond au déphasage entre la tension (V) et l'intensité (I) qu'impose une charge en courant alternatif.
Si la charge est inductive ( bobines, moteurs ) ou si la charge est capacitive le cos φ est <1.
En industrie (charges fort inductives) on essaie que le cos φ soit le plus proche de 1 gage de la meilleure utilisation de l'énergie en ajoutant des circuits capacitifs.
Un appareil purement résistif en théorie une résistance, un filament d'ampoule donne un cos φ = 1
Cordialement, Martien-071
Les spécifications de ce type de thermostat ont déjà posé quelques problèmes ... voir :
Contact relais thermostat se met à coller au bout de 20 jours
Le contact du thermostat est prétendu supporter une intensité de 0,5 A (500 mA) sous 230 V ce qui n'est pas énorme et à un cos φ de 0,8 de surcroit.
Contact sec (ne veut pas dire qu'il existe des contacts humides ou mouillés) signifie que le contact est libre de potentiel : il n'est relié à rien d'autre dans l'appareil qu'aux deux bornes.
Dans le cas de la chaudière il s'installe sur le bornier de la chaudière soit à la place du pont placé par le fabricant soit à la place d'un autre thermostat.
Citation :
je sais que le cos phi est supérieur à 0,8 en France
NON ! Le cos φ peut varier que ce soit en France ou ailleurs, il dépend de la charge.
Le cosinus φ appelé aussi facteur de puissance est le rapport entre la puissance active P (exprimé en W) et la puissance apparente S (exprimée en VA). Il correspond au déphasage entre la tension (V) et l'intensité (I) qu'impose une charge en courant alternatif.
Si la charge est inductive ( bobines, moteurs ) ou si la charge est capacitive le cos φ est <1.
En industrie (charges fort inductives) on essaie que le cos φ soit le plus proche de 1 gage de la meilleure utilisation de l'énergie en ajoutant des circuits capacitifs.
Un appareil purement résistif en théorie une résistance, un filament d'ampoule donne un cos φ = 1
Cordialement, Martien-071
13 novembre 2025 à 08:25
consulter ce sujet Brancher thermostat Netatmo sur chaudière Atlantic Cythia sur le forum PlomberieBonjour Terrien !
Je ne suis pas spécialiste en chauffage.
Je me demande si ce système de double aquastat n'est pas destiné à :
Servir de sécurité de surchauffe puisque la commande du brûleur semble se faire par le simple contact d'un thermostat.
Éviter un coup de froid sur la chaudière dans le cas où le thermostat resterait ouvert pendant un long moment.
Le contact de l'aquastat permettrait de garder la chaudière à une température donnée.
Il faudrait examiner comment le câblage a été fait.
Cordialement, Martien-071
Je ne suis pas spécialiste en chauffage.
Je me demande si ce système de double aquastat n'est pas destiné à :
Servir de sécurité de surchauffe puisque la commande du brûleur semble se faire par le simple contact d'un thermostat.
Éviter un coup de froid sur la chaudière dans le cas où le thermostat resterait ouvert pendant un long moment.
Le contact de l'aquastat permettrait de garder la chaudière à une température donnée.
Il faudrait examiner comment le câblage a été fait.
Cordialement, Martien-071
11 novembre 2025 à 11:54
consulter ce sujet Raccordement aquastat chaudière Buderus Logano sur le forum ChauffageBonjour les Terriens !
Grain de NaCl martien :
Il est vrai que le fabricant, à titre de clarté pour le câblage aurait pu s'abstenir de dupliquer les bornes N(1) et L1.
Peut-être pour indiquer l'entrée préférentielle et le fait qu'il peut y avoir deux connexions par borne mais ce schéma n'est pas physiquement conforme à l'appareil : il n'y a qu'une seule borne L1 et le N associé.
Un "bon point" néanmoins pour le fabricant d'avoir placé l'inscription "TEST MENSUEL".
Une chose que l'on oublie tellement souvent ... et qui est un gage de sécurité pour les Terriens !
Cordialement,
Martien-071
Pour agrandir l'image, cliquez dessus.

Grain de NaCl martien :
Il est vrai que le fabricant, à titre de clarté pour le câblage aurait pu s'abstenir de dupliquer les bornes N(1) et L1.
Peut-être pour indiquer l'entrée préférentielle et le fait qu'il peut y avoir deux connexions par borne mais ce schéma n'est pas physiquement conforme à l'appareil : il n'y a qu'une seule borne L1 et le N associé.
Un "bon point" néanmoins pour le fabricant d'avoir placé l'inscription "TEST MENSUEL".
Une chose que l'on oublie tellement souvent ... et qui est un gage de sécurité pour les Terriens !
Cordialement,
Martien-071
Pour agrandir l'image, cliquez dessus.

09 novembre 2025 à 10:27
consulter ce sujet Raccordement différentiel sur le forum ÉlectricitéBonjour Terrien !
D'autres contributeurs passeront ... Je pense notamment à GL que je salue d'avance.
Je ne fais que déposer la documentation concernant le 2662/TH4 ...
Il est peut-être possible d'effectuer un démarrage-test en remplaçant le 2662/TH4 par un "bouton poussoir" pour incriminer le module. C'est la puissance de 4 kW qui m'inquiète un peu pour cette manœuvre.
Le but du "démarreur" est de connecter un second condensateur afin d'avoir un meilleur couple au démarrage.
Cordialement,
Martien-071
Pour agrandir l'image, cliquez dessus.

Starter voltmetric switch with triacs
D'autres contributeurs passeront ... Je pense notamment à GL que je salue d'avance.
Je ne fais que déposer la documentation concernant le 2662/TH4 ...
Il est peut-être possible d'effectuer un démarrage-test en remplaçant le 2662/TH4 par un "bouton poussoir" pour incriminer le module. C'est la puissance de 4 kW qui m'inquiète un peu pour cette manœuvre.
Le but du "démarreur" est de connecter un second condensateur afin d'avoir un meilleur couple au démarrage.
Cordialement,
Martien-071
Pour agrandir l'image, cliquez dessus.

Starter voltmetric switch with triacs
08 novembre 2025 à 19:21
consulter ce sujet Condensateur switch voltmétrique sur le forum ÉlectricitéBonjour Terrien !
Pour programmer la nouvelle radiocommande vous devez être à proximité de l'automate, hors de portée cela ne fonctionnera pas.
Assurez-vous que les piles des 2 radiocommandes sont en bon état.
Si vous n'avez pas modifié le code secret de la DS100 c'est 11.
- Les deux radiocommandes sont proches et à portée de l'automate.
Sur la DS100 :
- Introduisez le code secret (11) au moyen des touches numériques.
- Appuyez sur le bouton de fonction choisi : A, B ou C pendant au moins 5s.
Sur "l'ancienne radiocommande" :
- Appuyez 3 fois lentement sur la touche de fonction.
Retour sur la DS100 :
- Introduisez le code secret (11) et pressez une fois sur la touche de fonction choisie ci-avant A, B ou C pendant 1s.
Cela devrait fonctionner.
Cordialement,
Martien-071
Citation :Peut-être pas ... puisque cela ne fonctionne pas !
pourtant je fais comme sur le mode d'emploi ...
Pour programmer la nouvelle radiocommande vous devez être à proximité de l'automate, hors de portée cela ne fonctionnera pas.
Assurez-vous que les piles des 2 radiocommandes sont en bon état.
Si vous n'avez pas modifié le code secret de la DS100 c'est 11.
- Les deux radiocommandes sont proches et à portée de l'automate.
Sur la DS100 :
- Introduisez le code secret (11) au moyen des touches numériques.
- Appuyez sur le bouton de fonction choisi : A, B ou C pendant au moins 5s.
Sur "l'ancienne radiocommande" :
- Appuyez 3 fois lentement sur la touche de fonction.
Retour sur la DS100 :
- Introduisez le code secret (11) et pressez une fois sur la touche de fonction choisie ci-avant A, B ou C pendant 1s.
Cela devrait fonctionner.
Cordialement,
Martien-071
08 novembre 2025 à 09:54
consulter ce sujet Programmer télécommande portail coulissant avec moteur Filo 600 sur le forum ÉlectricitéBonjour Terrien !
Que le cumulus soit alimenté en électricité ou pas l'eau doit le traverser (il s'agit d'un réservoir dans lequel plonge une résistance électrique).
Il faudrait vérifier que l'appareil est bien alimenté en eau : vérifier que toutes las vannes sont bien ouvertes ... il y en a une aussi au niveau du groupe de sécurité. (le groupe de sécurité est composé de trois éléments : une vanne d'arrêt, un clapet anti-retour et une soupape de sécurité tarée à 7 bars pour l'eau sanitaire).
On espère que le cumulus n'est pas vide car apparemment vous l'avez déjà alimenté en électricité ... si il a chauffé à vide il est fort probable que la résistance ait lâché. (si une bonne étoile passait par là il se peut que ce ne soit que la protection thermique qui ait fonctionné).
Pour les recherches, il vaut mieux couper l'alimentation électrique du cumulus (disjoncteur) et ne la rétablir que lorsque l'on est certain que la cuve est bien remplie.
Lors du remplissage du cumulus, laissez un robinet d'eau chaude ouvert pour laisser s'échapper l'air et ne le fermez que lorsque le jet d'eau est bien continu.
Cordialement, Martien-071
Que le cumulus soit alimenté en électricité ou pas l'eau doit le traverser (il s'agit d'un réservoir dans lequel plonge une résistance électrique).
Il faudrait vérifier que l'appareil est bien alimenté en eau : vérifier que toutes las vannes sont bien ouvertes ... il y en a une aussi au niveau du groupe de sécurité. (le groupe de sécurité est composé de trois éléments : une vanne d'arrêt, un clapet anti-retour et une soupape de sécurité tarée à 7 bars pour l'eau sanitaire).
On espère que le cumulus n'est pas vide car apparemment vous l'avez déjà alimenté en électricité ... si il a chauffé à vide il est fort probable que la résistance ait lâché. (si une bonne étoile passait par là il se peut que ce ne soit que la protection thermique qui ait fonctionné).
Pour les recherches, il vaut mieux couper l'alimentation électrique du cumulus (disjoncteur) et ne la rétablir que lorsque l'on est certain que la cuve est bien remplie.
Lors du remplissage du cumulus, laissez un robinet d'eau chaude ouvert pour laisser s'échapper l'air et ne le fermez que lorsque le jet d'eau est bien continu.
Cordialement, Martien-071
07 novembre 2025 à 11:16
consulter ce sujet Problème cumulus Thermor 871416 ne chauffe pas sur le forum PlomberieBonjour Terrien !
D'autres contributeurs passeront certainement.
A ce que je comprends les fils sont accessibles dans la goulotte.
Une solution serait de connecter à un circuit à la fois un appareil dont la consommation est connue (un petit chauffage d'appoint par exemple) et en relevant les courants traversants les fils à l'aide d'une pince ampèremétrique de retrouver les deux fils. (Petit chauffage de 1000 W => courant aux alentours de 4,3 A, ceci dépendant et de la précision de puissance du chauffage et de la valeur de la tension secteur).
Cordialement, Martien-071
D'autres contributeurs passeront certainement.
A ce que je comprends les fils sont accessibles dans la goulotte.
Une solution serait de connecter à un circuit à la fois un appareil dont la consommation est connue (un petit chauffage d'appoint par exemple) et en relevant les courants traversants les fils à l'aide d'une pince ampèremétrique de retrouver les deux fils. (Petit chauffage de 1000 W => courant aux alentours de 4,3 A, ceci dépendant et de la précision de puissance du chauffage et de la valeur de la tension secteur).
Cordialement, Martien-071
04 novembre 2025 à 12:37
consulter ce sujet Identifier paire de fils parmi plusieurs sur le forum ÉlectricitéBonjour Terrien Bruno !
Comme beaucoup vous avez confondu "Thermostat" et "Sonde d'ambiance".
Le thermostat est un appareil qui délivre un contact sec (non pas que les autres puissent être humides mais on appelle sec des contacts libres de potentiel). Il fonctionne en tout-ou-rien : on actionne ou pas.
Les sondes de température sont en liaison permanente avec le régulateur et lui fournissent en continu la température et la valeur de la consigne demandée. Cela n'a aucun rapport avec un "contact".
En branchant le contact du thermostat aux bornes réservées à la sonde d'ambiance il est normal d'avoir une erreur court-circuit lorsque le contact est fermé, circuit ouvert quand le contact est ouvert.
Le QAW70 possède une sortie relais mais celle-ci n'est pas utilisée pour la régulation.
Cordialement, Martien-071
Citation :
Problème : lorsque j’ajoute ce thermostat comme source de température ambiante (via la ligne 65 de la programmation du RVP), le régulateur affiche une erreur, avec comme diagnostic en ligne 50 le code "61" = défaut appareil d’ambiance.
Plus précisément, il s’agirait selon la notice d’un problème de "coupure ou court-circuit dans le circuit de mesure de la sonde".
J’ai testé la sonde du thermostat (ohmmètre), la liaison radiofréquence entre le module de réglage et la base branchée sur le régulateur, tout est OK, le contact se déclenche normalement lorsque je simule une demande de chauffe via la consigne sur le boitier électronique.
J’ai pensé à une incompatibilité de ce thermostat avec le régulateur (qui est très ancien, la notice de l’époque donnait comme seules références de thermostats d’ambiance les modèles filaires QAW50 et QAW70), mais le code erreur renvoyé ne devrait-il pas alors plutôt être le "62" ?
Comme beaucoup vous avez confondu "Thermostat" et "Sonde d'ambiance".
Le thermostat est un appareil qui délivre un contact sec (non pas que les autres puissent être humides mais on appelle sec des contacts libres de potentiel). Il fonctionne en tout-ou-rien : on actionne ou pas.
Les sondes de température sont en liaison permanente avec le régulateur et lui fournissent en continu la température et la valeur de la consigne demandée. Cela n'a aucun rapport avec un "contact".
En branchant le contact du thermostat aux bornes réservées à la sonde d'ambiance il est normal d'avoir une erreur court-circuit lorsque le contact est fermé, circuit ouvert quand le contact est ouvert.
Le QAW70 possède une sortie relais mais celle-ci n'est pas utilisée pour la régulation.
Cordialement, Martien-071
28 octobre 2025 à 14:06
consulter ce sujet Thermostat d'ambiance Siemens RDE 100.1 et régulateur RVP 331 sur le forum ChauffageBonjour les Terriens !
Grain de NaCl martien ...
Il faudrait vérifier les tensions de service de :
- l'installation 3 x 400 V ou ...
- la bobine du contacteur
- l'électrovanne
- lampe témoin/voyant
- du compteur d'heure
On suppose que le pressostat est prévu pour 400 V AC.
Définir l'utilité de :
- l'électrovanne. Est-ce pour démarrer sans charge ? Est-ce juste pour dépressuriser entre cylindre et cuve ?
- la lampe témoin : Défaut thermique ?
Personnellement je préfère bien séparer puissance et commande
=> pas d'éléments connectés au moteur.
J'utiliserai plutôt le contact NO du contacteur pour commander l'électrovanne et alimenter le compteur d'heures. En cas de défaut thermique le contacteur retombe, coupe l'électrovanne et le compteur d'heure.
Cordialement,
Martien-071
Grain de NaCl martien ...
Il faudrait vérifier les tensions de service de :
- l'installation 3 x 400 V ou ...
- la bobine du contacteur
- l'électrovanne
- lampe témoin/voyant
- du compteur d'heure
On suppose que le pressostat est prévu pour 400 V AC.
Définir l'utilité de :
- l'électrovanne. Est-ce pour démarrer sans charge ? Est-ce juste pour dépressuriser entre cylindre et cuve ?
- la lampe témoin : Défaut thermique ?
Personnellement je préfère bien séparer puissance et commande
=> pas d'éléments connectés au moteur.
J'utiliserai plutôt le contact NO du contacteur pour commander l'électrovanne et alimenter le compteur d'heures. En cas de défaut thermique le contacteur retombe, coupe l'électrovanne et le compteur d'heure.
Cordialement,
Martien-071
26 octobre 2025 à 11:49
consulter ce sujet Conseils de branchement compresseur triphasé sur le forum ÉlectricitéBonjour les Terriens !
Peut-être que la bague "bouchardée" ( cela se dit-il pour le métal ? ) sert de contre-écrou pour bloquer le réglage ?
Il suffirait alors de la dévisser un peu et de modifier le réglage en tournant la grosse vis à l'aide d'une clé plate, d'une clé à molette ou éventuellement d'une pince mais avec moult précautions pour ne pas abimer.
Je rejoins GL pour la valeur de la pression statique 3 à 4 bars sont bien suffisants en usage domestique* et permettent aussi de limiter les écoulements au niveau des groupes de sécurité.
* à moins que l'on ne désire une douche type nettoyeur HP ...
Cordialement, Martien-071
Peut-être que la bague "bouchardée" ( cela se dit-il pour le métal ? ) sert de contre-écrou pour bloquer le réglage ?
Il suffirait alors de la dévisser un peu et de modifier le réglage en tournant la grosse vis à l'aide d'une clé plate, d'une clé à molette ou éventuellement d'une pince mais avec moult précautions pour ne pas abimer.
Je rejoins GL pour la valeur de la pression statique 3 à 4 bars sont bien suffisants en usage domestique* et permettent aussi de limiter les écoulements au niveau des groupes de sécurité.
* à moins que l'on ne désire une douche type nettoyeur HP ...
Cordialement, Martien-071
24 octobre 2025 à 09:20
consulter ce sujet Réglage réducteur de pression avec outil/clé spécifique sur le forum PlomberieBonjour les Terriens !
Je ne fais que passer ...
Il me semble voir gravé sur le corps du réducteur la mention "with filter" ... a t'il seulement été nettoyé une seule fois ?
Pour le montage de ce genre d'appareil j'aime beaucoup l'encadrer de raccords facilement démontables ("raccords unions" ou raccords 3 pièces) afin de faciliter le démontage ou le remplacement.
Cordialement, Martien-071
Je ne fais que passer ...
Il me semble voir gravé sur le corps du réducteur la mention "with filter" ... a t'il seulement été nettoyé une seule fois ?
Pour le montage de ce genre d'appareil j'aime beaucoup l'encadrer de raccords facilement démontables ("raccords unions" ou raccords 3 pièces) afin de faciliter le démontage ou le remplacement.
Cordialement, Martien-071
23 octobre 2025 à 10:10
consulter ce sujet Manomètre indispensable sur installation sur le forum PlomberieBonjour Terrien !
Désolé mais la description de votre problème ne me semble pas fort claire mis à part que vous voulez remplacer un(des) interrupteur(s) !
Sont-ce réellement des boutons poussoirs ? Lors de l'actionnement le bouton reste t'il dans sa position ou revient-il à la position d'origine tels un bouton de sonnette ?
Bizarre car le câblage semble être celui d'un double allumage donc de commander au moins 2 point lumineux.
Tout l'éclairage ... Combien de points lumineux y a t'il ?
Cela correspond bien à un schéma 2 allumages, rouge commun ( en principe phase ), noir départ vers un point d'éclairage, beige vers l'autre. les deux point d'éclairage sont reliés au second conducteur d'alimentation ( en principe neutre )
Quelles sont les couleurs des fils qui arrivent au(x) point(s) d'éclairage ?
Cordialement, Martien-071
Désolé mais la description de votre problème ne me semble pas fort claire mis à part que vous voulez remplacer un(des) interrupteur(s) !
Citation :
Il possède deux boutons poussoirs
Sont-ce réellement des boutons poussoirs ? Lors de l'actionnement le bouton reste t'il dans sa position ou revient-il à la position d'origine tels un bouton de sonnette ?
Citation :
chacun n'allume pas une ampoule différente
Bizarre car le câblage semble être celui d'un double allumage donc de commander au moins 2 point lumineux.
Citation :
Il faut appuyer sur les deux pour allumer tout l'éclairage
Tout l'éclairage ... Combien de points lumineux y a t'il ?
Citation :
Le fil rouge était connecté en haut sur les deux poussoirs, et en bas le fil noir était relié à un poussoir et le fil beige à l'autre.
Cela correspond bien à un schéma 2 allumages, rouge commun ( en principe phase ), noir départ vers un point d'éclairage, beige vers l'autre. les deux point d'éclairage sont reliés au second conducteur d'alimentation ( en principe neutre )
Quelles sont les couleurs des fils qui arrivent au(x) point(s) d'éclairage ?
Cordialement, Martien-071
22 octobre 2025 à 09:28
consulter ce sujet Branchement interrupteur salle de bain sur le forum ÉlectricitéBonjour les Terriens !
La photo montre bien deux bobines dont on a pris soin d'indiquer l'impédance ceci était fort d'usage en téléphonie !
Pour moi il ne s'agit pas d'une sonnette destinée à être banchée sur le secteur mais d'une sonnette de téléphone.
Le manque de sécurité électrique évoqué par GL pour du matériel connecté au réseau devient différent lorsqu'il s'agit de téléphone ... tensions et intensités bien différentes.
Au fait, vous avez vu ceci : Modifier sonnette de téléphone en sonnette de maison ?
Cordialement, Martien-071
La photo montre bien deux bobines dont on a pris soin d'indiquer l'impédance ceci était fort d'usage en téléphonie !
Pour moi il ne s'agit pas d'une sonnette destinée à être banchée sur le secteur mais d'une sonnette de téléphone.
Le manque de sécurité électrique évoqué par GL pour du matériel connecté au réseau devient différent lorsqu'il s'agit de téléphone ... tensions et intensités bien différentes.
Au fait, vous avez vu ceci : Modifier sonnette de téléphone en sonnette de maison ?
Cordialement, Martien-071
20 octobre 2025 à 09:10
consulter ce sujet Brancher vieille sonnette sans transformateur sur le forum ÉlectricitéBonjour les Terriens !
Un moment de folie martienne ...
D'après sa plaque signalétique le moteur est un modèle asynchrone triphasé à rotor en court-circuit (cage d'écureuil).
Il est donné pour fonctionner en triangle sur un réseau triphasé 380 V (devenu 400 V).
Selon Baboun65 le moteur fonctionne en câblage étoile mais fort mal en triangle avec un "démarreur" dont on ne sait rien (commutateur 3 positions relayé ou non ... ou modèle antique à couteaux*).
* (Je connais encore un atelier de menuiserie où ce système existe encore ...
Le propriétaire a plus de 90 ans et continue à travailler.
Plus rien n'est aux normes actuelles mais à son époque c'était comme ça et ça fonctionnait ... gamin !
Pas d'interrupteur de ligne du courant en permanence sur tous les moteurs et un levier qu'on abaisse pour démarrer en étoile et qu'on relève pour passer en triangle. La position médiane c'est l'arrêt).
Je suppose que les enroulements ont été vérifiés à l'Ohmmètre ... pas de coupure ... équilibre des résistances ... pas de connexions parasites entre bobines ...
Une idée ne nécessitant pas de mesures ...
Pour exclure ou incriminer le démarreur, pourquoi ne pas câbler le moteur en triangle au niveau de la plaque à borne, l'alimenter au moyen d'un câble provisoire et le démarrer. (il est prévu pour 380 V donc démarrage direct) ?
Il démarre correctement ? => "démarreur" ou câblage en cause.
Il ne démarre pas correctement => mauvais câblage ? Inversion d'un enroulement ?
Fin des folies martiennes.
Cordialement.
Martien-071
Un moment de folie martienne ...
D'après sa plaque signalétique le moteur est un modèle asynchrone triphasé à rotor en court-circuit (cage d'écureuil).
Il est donné pour fonctionner en triangle sur un réseau triphasé 380 V (devenu 400 V).
Selon Baboun65 le moteur fonctionne en câblage étoile mais fort mal en triangle avec un "démarreur" dont on ne sait rien (commutateur 3 positions relayé ou non ... ou modèle antique à couteaux*).
* (Je connais encore un atelier de menuiserie où ce système existe encore ...
Le propriétaire a plus de 90 ans et continue à travailler.
Plus rien n'est aux normes actuelles mais à son époque c'était comme ça et ça fonctionnait ... gamin !
Pas d'interrupteur de ligne du courant en permanence sur tous les moteurs et un levier qu'on abaisse pour démarrer en étoile et qu'on relève pour passer en triangle. La position médiane c'est l'arrêt).
Je suppose que les enroulements ont été vérifiés à l'Ohmmètre ... pas de coupure ... équilibre des résistances ... pas de connexions parasites entre bobines ...
Une idée ne nécessitant pas de mesures ...
Pour exclure ou incriminer le démarreur, pourquoi ne pas câbler le moteur en triangle au niveau de la plaque à borne, l'alimenter au moyen d'un câble provisoire et le démarrer. (il est prévu pour 380 V donc démarrage direct) ?
Il démarre correctement ? => "démarreur" ou câblage en cause.
Il ne démarre pas correctement => mauvais câblage ? Inversion d'un enroulement ?
Fin des folies martiennes.
Cordialement.
Martien-071
19 octobre 2025 à 11:54
consulter ce sujet Moteur triphasé ne marche pas en triangle sur le forum ÉlectricitéBonjour les Terriens !
Je n'ai trouvé qu'une petite photo du dispositif interrupteur inverseur du sens de marche avec le câblage.
A défaut d'une réponse du Service technique de la marque, peut-être qu'en observant fort bien la photo, en ayant le matériel en main, un calepin, un crayon et quelques idées il serait possible de s'en sortir.
Cordialement.
Martien-071
Pour agrandir l'image, cliquez dessus.

Je n'ai trouvé qu'une petite photo du dispositif interrupteur inverseur du sens de marche avec le câblage.
A défaut d'une réponse du Service technique de la marque, peut-être qu'en observant fort bien la photo, en ayant le matériel en main, un calepin, un crayon et quelques idées il serait possible de s'en sortir.
Cordialement.
Martien-071
Pour agrandir l'image, cliquez dessus.

18 octobre 2025 à 10:14
consulter ce sujet Branchement électrique broyeur de végétaux Heinhell 2500 sur le forum ÉlectricitéBonjour Terrien !
Votre automatisme de portail nécessite un contact "sec" ( libre de potentiel ) pour activer l'ouverture/fermeture.
Le parlophone dispose d'une sortie gâche pour alimenter celle-ci, ce n'est pas un contact "sec".
La sortie gâche du parlophone doit commander un relais pour disposer du contact adéquat pour commander l'automatisme.
On peut supposer que le relais se trouve soit au niveau du portier soit dans le boitier contenant la carte de l'automatisme.
Des photos de l'intérieur du portier et de la carte de l'automate pourraient vraiment aider.
Cordialement, Martien-071
Votre automatisme de portail nécessite un contact "sec" ( libre de potentiel ) pour activer l'ouverture/fermeture.
Le parlophone dispose d'une sortie gâche pour alimenter celle-ci, ce n'est pas un contact "sec".
La sortie gâche du parlophone doit commander un relais pour disposer du contact adéquat pour commander l'automatisme.
On peut supposer que le relais se trouve soit au niveau du portier soit dans le boitier contenant la carte de l'automatisme.
Des photos de l'intérieur du portier et de la carte de l'automate pourraient vraiment aider.
Cordialement, Martien-071
16 octobre 2025 à 10:20
consulter ce sujet Commande ouverture portail Came Ferni.avec parlophone Biticino sur le forum ÉlectricitéBonjour les Terriens !
Geberit propose ce joint sous le EAN : 7391515117301
Cordialement,
Martien-071
Geberit propose ce joint sous le EAN : 7391515117301
Cordialement,
Martien-071
13 octobre 2025 à 17:30
consulter ce sujet Recherche joint ifö 96308 pour chasse d'eau sur le forum PlomberieBonjour Terrien !
La réponse ne se trouve pas sur Youtube ni bien entendu via la soi-disant "Intelligence Artificielle" (Pourquoi d'ailleurs lui mettre des majuscules ?).
Le manuel d'installation écrit par des humains et non des machines joint à ce message décrit l'installation : thermostat à deux fils (pages 6 & 9).
Cordialement,
Martien-071
montage gazliner if 94 a 2000.pdf
La réponse ne se trouve pas sur Youtube ni bien entendu via la soi-disant "Intelligence Artificielle" (Pourquoi d'ailleurs lui mettre des majuscules ?).
Le manuel d'installation écrit par des humains et non des machines joint à ce message décrit l'installation : thermostat à deux fils (pages 6 & 9).
Cordialement,
Martien-071
montage gazliner if 94 a 2000.pdf
12 octobre 2025 à 11:20
consulter ce sujet Installation thermostat connecté chaudière Frisquet sur le forum ChauffageBonjour terrien(ne) !
Ce qui serait très intéressant est de savoir ce qui est inscrit sur l'étiquette bleue du raccord.
Cela pourrait être une soupape de sécurité mais tarée à quelle pression ?
Cordialement,
Martien-071
Ce qui serait très intéressant est de savoir ce qui est inscrit sur l'étiquette bleue du raccord.
Cela pourrait être une soupape de sécurité mais tarée à quelle pression ?
Cordialement,
Martien-071
11 octobre 2025 à 17:27
consulter ce sujet Fuite partie inférieure raccord sur le forum PlomberieBonjour les Terriens !
Petit grain de NaCl martien ...
Le disjoncteur différentiel installé (Hazenmeyer) semble avoir un indicateur en cas de déclenchement par défaut d'isolement (une petite languette bleue devrait sortir).
Ceci pourrait aider à déterminer si le déclenchement est du à une surintensité ou non.
Le calibre du disjoncteur installé est de ... 15 A si je lis bien, l'intensité nominale de l'aérotherme est de 17,5 A soit 2,5A au dessus du calibre du disjoncteur installé. En régime il me semble "normal" que la protection surintensité déclenche après un certain délai. (courbe ?)
Je pense qu'un essai pourrait être mené avec le Merlin Gerin dont le calibre en surintensité est de 20A et courbe D.
(à vérifier qu'il ne déclenchera pas à la pointe d'intensité du démarrage)
Cordialement, Martien-071
Petit grain de NaCl martien ...
Le disjoncteur différentiel installé (Hazenmeyer) semble avoir un indicateur en cas de déclenchement par défaut d'isolement (une petite languette bleue devrait sortir).
Ceci pourrait aider à déterminer si le déclenchement est du à une surintensité ou non.
Le calibre du disjoncteur installé est de ... 15 A si je lis bien, l'intensité nominale de l'aérotherme est de 17,5 A soit 2,5A au dessus du calibre du disjoncteur installé. En régime il me semble "normal" que la protection surintensité déclenche après un certain délai. (courbe ?)
Je pense qu'un essai pourrait être mené avec le Merlin Gerin dont le calibre en surintensité est de 20A et courbe D.
(à vérifier qu'il ne déclenchera pas à la pointe d'intensité du démarrage)
Cordialement, Martien-071
07 octobre 2025 à 09:40
consulter ce sujet Quel disjoncteur pour un aérotherme 12000 W sur le forum ÉlectricitéBonjour Terrien !
Je ne suis pas spécialiste en chauffage.
Qu'entendez-vous par "en arrêt" ?
L'alimentation électrique de votre habitation se fait en triphasé ou en monophasé ? Vous dites pompe en 380 V donc je pense triphasé. De quelle pompe s'agit-il ? circulateur ou pompe à fioul ?
Si l'alimentation est en triphasé, l'électricien n'a peut-être pas vu que la pompe/circulateur fonctionnait en tri et donc n'a pas vérifié son sens de rotation.
Cordialement,
Martien-071
Je ne suis pas spécialiste en chauffage.
Citation :Mais qu'a donc fait l'électricien si la machine fonctionnait avant et plus après son passage ?
Elle fonctionnait relativement bien pour son âge, mais depuis le passage de l'électricien pour la remise aux normes, elle est en arrêt.
Qu'entendez-vous par "en arrêt" ?
L'alimentation électrique de votre habitation se fait en triphasé ou en monophasé ? Vous dites pompe en 380 V donc je pense triphasé. De quelle pompe s'agit-il ? circulateur ou pompe à fioul ?
Si l'alimentation est en triphasé, l'électricien n'a peut-être pas vu que la pompe/circulateur fonctionnait en tri et donc n'a pas vérifié son sens de rotation.
Cordialement,
Martien-071
05 octobre 2025 à 12:47
consulter ce sujet Identification chaudière Ideal Standard de 1960 sur le forum ChauffageBonjour Terrien(ne) !
Je ne suis pas spécialiste en chauffage ...
Deuxième photo :
En haut à gauche, interrupteur à bascule pour l'alimentation en 230 V de la chaudière (Interrupteur général).
Au milieu à gauche Interrupteur à bascule : poussé en haut (cristal de glace / hiver) = chauffage et eau sanitaire, poussé en bas (soleil / été) = pas de chauffage mais eau sanitaire.
Le bouton rond en bas à gauche est le réglage de température de l'eau de circulation pour le chauffage. Il devrait y avoir un thermomètre quelque part pour lire la température de l'eau.
A gauche du bouton de réglage de température je ne distingue pas bien s'il s'agit d'un interrupteur ou d'un simple bouchon.
dans le trou en haut à droite devait se trouver un dispositif de déclenchement en cas de surchauffe ... Il semble bien absent.
Si vous êtes locataire il faudrait en aviser le propriétaire car la sécurité est en jeu. Il s'agirait de remettre la sécurité en état.
Première photo :
Le petit bouton blanc rotatif sert à régler la température de l'eau chaude sanitaire.
Cordialement.
Martien-071
Je ne suis pas spécialiste en chauffage ...
Deuxième photo :
En haut à gauche, interrupteur à bascule pour l'alimentation en 230 V de la chaudière (Interrupteur général).
Au milieu à gauche Interrupteur à bascule : poussé en haut (cristal de glace / hiver) = chauffage et eau sanitaire, poussé en bas (soleil / été) = pas de chauffage mais eau sanitaire.
Le bouton rond en bas à gauche est le réglage de température de l'eau de circulation pour le chauffage. Il devrait y avoir un thermomètre quelque part pour lire la température de l'eau.
A gauche du bouton de réglage de température je ne distingue pas bien s'il s'agit d'un interrupteur ou d'un simple bouchon.
dans le trou en haut à droite devait se trouver un dispositif de déclenchement en cas de surchauffe ... Il semble bien absent.
Si vous êtes locataire il faudrait en aviser le propriétaire car la sécurité est en jeu. Il s'agirait de remettre la sécurité en état.
Première photo :
Le petit bouton blanc rotatif sert à régler la température de l'eau chaude sanitaire.
Cordialement.
Martien-071
05 octobre 2025 à 12:34
consulter ce sujet Chaudière gaz Viessmann Atmola notice d'utilisation sur le forum ChauffageBonjour Terrien(ne) !
Sans notice de câblage de l'appareil existant, il n'est pas aisé de s'en sortir.
L'appareil existant fonctionne t'il encore, ne fût-ce qu'un peu ?
Si oui on pourrait tenter d'identifier les bornes et fils en les débranchant un à un et en essayant l'interphone.
Il semble que le fil bleu foncé soit le commun.
La phonie micro/hp semble être véhiculée par les fils bleus clairs et rouges de l'installation.
Les fils blancs et jaunes de l'installation seraient ceux de la gâche et de la sonnerie.
L'idée ...
2 personnes sont nécessaires 1 au portier, l'autre au niveau du logement.
La personne au portier sonne, au niveau de l'interphone on débranche le fil de la borne 7 (blanc) la sonnerie fonctionne toujours, ce n'est pas le bon fil. On replace le fil en borne 7 et on débranche celui de la borne 9 ( jaune ). Ca ne sonne plus? => 9 = sonnerie/appel. (Sans aucune certitude mais pour la gâche je pencherais pour la borne 9 ).*
On fait de même en actionnant la gâche puis lors de la communication pour identifier la connexion du micro et du hp.
Pendant l'opération le fil bleu bornes 11 et 6 ( considéré comme masse n'est jamais débranché. )
Attention, je n'ai pas dit que les deux appareils cités sont compatibles ... ( tension d'alimentation notamment ) juste une procédure pour identifier la fonction de chaque fil.
Cordialement, Martien-071
P.S. :
Si vous parvenez à identifier les connexions, j'aimerais savoir si j'avais le quinté gagnant en deux paris :
Borne 1 micro, borne 2 HP, borne 11 et 6 masse/commun, borne 7 sonnerie/appel, borne 9 gâche.
ou Borne 1 HP, borne 2 micro, borne 11 et 6 masse/commun, borne 7 sonnerie/appel, borne 9 gâche.
Sans notice de câblage de l'appareil existant, il n'est pas aisé de s'en sortir.
L'appareil existant fonctionne t'il encore, ne fût-ce qu'un peu ?
Si oui on pourrait tenter d'identifier les bornes et fils en les débranchant un à un et en essayant l'interphone.
Il semble que le fil bleu foncé soit le commun.
La phonie micro/hp semble être véhiculée par les fils bleus clairs et rouges de l'installation.
Les fils blancs et jaunes de l'installation seraient ceux de la gâche et de la sonnerie.
L'idée ...
2 personnes sont nécessaires 1 au portier, l'autre au niveau du logement.
La personne au portier sonne, au niveau de l'interphone on débranche le fil de la borne 7 (blanc) la sonnerie fonctionne toujours, ce n'est pas le bon fil. On replace le fil en borne 7 et on débranche celui de la borne 9 ( jaune ). Ca ne sonne plus? => 9 = sonnerie/appel. (Sans aucune certitude mais pour la gâche je pencherais pour la borne 9 ).*
On fait de même en actionnant la gâche puis lors de la communication pour identifier la connexion du micro et du hp.
Pendant l'opération le fil bleu bornes 11 et 6 ( considéré comme masse n'est jamais débranché. )
Attention, je n'ai pas dit que les deux appareils cités sont compatibles ... ( tension d'alimentation notamment ) juste une procédure pour identifier la fonction de chaque fil.
Cordialement, Martien-071
P.S. :
Si vous parvenez à identifier les connexions, j'aimerais savoir si j'avais le quinté gagnant en deux paris :Borne 1 micro, borne 2 HP, borne 11 et 6 masse/commun, borne 7 sonnerie/appel, borne 9 gâche.
ou Borne 1 HP, borne 2 micro, borne 11 et 6 masse/commun, borne 7 sonnerie/appel, borne 9 gâche.
02 octobre 2025 à 10:34
consulter ce sujet Brancher vieux interphone Elvox sur Fermax VEO 3431 sur le forum ÉlectricitéBonjour Terrien !
Pas eu de retour pour l'interrupteur pour volet ...
Ça fonctionne ?
Une petite recherche su Google en mettant "avp02" donne pour cible une vidéo :
https://www.youtube.com/watch?v=FkaPA2EA1pc
Les appareil semblent similaires aux vôtres ... ce serait donc un automatisme de marque Protecta.
Il vous faut alimenter le moteur provisoirement à l'aide d'une allonge pour régler les fins de course haut et bas.
Ensuite vient le câblage au niveau de la platine :
L'alimentation 230 V se branche en 15 et 16 neutre en 15, phase en 16.
Le moteur se branche en 12, 13, 14 noir en 12, marron en 13 et bleu en 14.
Relier le fil vert et jaune du moteur au fil vert et jaune du câble d'amenée 230 V (liaison à la Terre).
Un fil blanc se branche en 1 (l'antenne peut-être ...)
Barre palpeuse :
Placer un pont entre les bornes 3 et 5 ou utiliser la "broche" sans la connexion centrale.
Brancher le fil bleu du cordon spiralé en 5 et le fil marron en 4.
L'extrémité du cordon spiralé se connecte dans la boite de raccordement de la barre palpeuse :
Presse étoupe situé à gauche le fil bleu se connecte sur la borne supérieure, le marron sur la borne inférieure.
Vérifier le réglage du balancier dans le boitier de raccordement : position "centrale" + réglage de sensibilité.
Et la suite se trouve dans la vidéo ...
Cordialement.
Martien-071
Pas eu de retour pour l'interrupteur pour volet ...
Ça fonctionne ?Une petite recherche su Google en mettant "avp02" donne pour cible une vidéo :
https://www.youtube.com/watch?v=FkaPA2EA1pc
Les appareil semblent similaires aux vôtres ... ce serait donc un automatisme de marque Protecta.
Il vous faut alimenter le moteur provisoirement à l'aide d'une allonge pour régler les fins de course haut et bas.
Ensuite vient le câblage au niveau de la platine :
L'alimentation 230 V se branche en 15 et 16 neutre en 15, phase en 16.
Le moteur se branche en 12, 13, 14 noir en 12, marron en 13 et bleu en 14.
Relier le fil vert et jaune du moteur au fil vert et jaune du câble d'amenée 230 V (liaison à la Terre).
Un fil blanc se branche en 1 (l'antenne peut-être ...)
Barre palpeuse :
Placer un pont entre les bornes 3 et 5 ou utiliser la "broche" sans la connexion centrale.
Brancher le fil bleu du cordon spiralé en 5 et le fil marron en 4.
L'extrémité du cordon spiralé se connecte dans la boite de raccordement de la barre palpeuse :
Presse étoupe situé à gauche le fil bleu se connecte sur la borne supérieure, le marron sur la borne inférieure.
Vérifier le réglage du balancier dans le boitier de raccordement : position "centrale" + réglage de sensibilité.
Et la suite se trouve dans la vidéo ...
Cordialement.
Martien-071
28 septembre 2025 à 19:08
consulter ce sujet Câblage portail électrique à enroulement télécommandé sur le forum ÉlectricitéBonjour Terrien !
Le plombier connaît-il vraiment son boulot ?
Le régulateur de pression ne se monte pas juste en amont d'un ballon ou chauffe-eau mais en tête d'installation eau froide ! voir la question : Réglage manomètre sur réducteur de pression et la réponde de GL : " Il ( le régulateur de pression) se monte en aval du compteur d'eau, juste après la vanne générale suivie du clapet antipollution.
Il agit alors sur la pression générale dans l'habitat, eau froide et eau chaude. "
Si votre robinetterie n'est pas équipée de clapets antiretours, placé en amont du ballon, le régulateur de pression ne sert à pas à grand chose. Voir la deuxième réponse de GL à la question évoquée ci-avant.
Cordialement, Martien-071
Citation :
Le plombier suspecte une pression trop forte et a donc changé le groupe de sécurité et installé un réducteur de pression en amont du ballon d'eau chaude.
Citation :
Le plombier m'a dit que cela pouvait venir de la tuyauterie existante et que son installation était correcte.
Le plombier connaît-il vraiment son boulot ?
Le régulateur de pression ne se monte pas juste en amont d'un ballon ou chauffe-eau mais en tête d'installation eau froide ! voir la question : Réglage manomètre sur réducteur de pression et la réponde de GL : " Il ( le régulateur de pression) se monte en aval du compteur d'eau, juste après la vanne générale suivie du clapet antipollution.
Il agit alors sur la pression générale dans l'habitat, eau froide et eau chaude. "
Si votre robinetterie n'est pas équipée de clapets antiretours, placé en amont du ballon, le régulateur de pression ne sert à pas à grand chose. Voir la deuxième réponse de GL à la question évoquée ci-avant.
Cordialement, Martien-071
11 septembre 2025 à 15:36
consulter ce sujet Débit eau chaude faible salle de bain après installation réducteur de pression. sur le forum PlomberieBonjour Terrien !
Je suppose que l'alimentation est en monophasé.
Se passe-t'il quelque chose lorsque l'on branche une lampe témoin à la place de la taque ?
On choisit une lampe qui fonctionne.
On coupe au disjoncteur ou au général.
On installe une lampe au raccordement pour la taque.
On réenclenche le disjoncteur
et on observe l'état de la lampe.
Je sais ... c'est la base mais ça arrive et comme vous n'avez pas précisé si le 230 V était bien présent au niveau du raccordement ...
Cordialement, Martien-071
Citation :
J'ai branché une plaque à induction Electrolux EIS62453IZ Saphirmatt neuve sur mon arrivée électrique 32A mais rien ne se passe.
Je suppose que l'alimentation est en monophasé.
Se passe-t'il quelque chose lorsque l'on branche une lampe témoin à la place de la taque ?
On choisit une lampe qui fonctionne.
On coupe au disjoncteur ou au général.
On installe une lampe au raccordement pour la taque.
On réenclenche le disjoncteur
et on observe l'état de la lampe.
Je sais ... c'est la base mais ça arrive et comme vous n'avez pas précisé si le 230 V était bien présent au niveau du raccordement ...
Cordialement, Martien-071
09 septembre 2025 à 19:23
consulter ce sujet Branchement plaque induction Electrolux EIS62453IZ Saphirmatt sur le forum ÉlectricitéBonjour Terrien !
Rien n'est fort clair dans votre question !
En principe le régulateur de pression se monte en tête d'installation.
On limite ainsi la pression d'eau froide à ... 4 bars ( par exemple ) Une pression de 4 bars (statique) est en général correcte pour une habitation.
Un groupe de sécurité* sur une arrivée d'eau ?
C'est l'arrivée d'un ballon d'eau chaude ou d'un boiler alors.
* Un "groupe de sécurité" est un ensemble de trois organes : une vanne d'arrêt, un clapet antiretour et une soupape de sécurité (tarée à 7 bars) que l'on peut commander manuellement via un bouton ou une manette.
Il comporte trois raccordements : une entrée eau, une sortie vers le boiler ou ballon et une sortie vers une évacuation ( surpression / vidange ).
Où avez-vous installé le manomètre ?
Une photo de l'installation pourrait aider.
Cordialement, Martien-071
Rien n'est fort clair dans votre question !
En principe le régulateur de pression se monte en tête d'installation.
On limite ainsi la pression d'eau froide à ... 4 bars ( par exemple ) Une pression de 4 bars (statique) est en général correcte pour une habitation.
Citation :
Sur mon installation d'eau, j'ai entre ma vanne d'arrivée d'eau et le groupe de sécurité, un régulateur de pression.
Un groupe de sécurité* sur une arrivée d'eau ?
C'est l'arrivée d'un ballon d'eau chaude ou d'un boiler alors.
* Un "groupe de sécurité" est un ensemble de trois organes : une vanne d'arrêt, un clapet antiretour et une soupape de sécurité (tarée à 7 bars) que l'on peut commander manuellement via un bouton ou une manette.
Il comporte trois raccordements : une entrée eau, une sortie vers le boiler ou ballon et une sortie vers une évacuation ( surpression / vidange ).
Où avez-vous installé le manomètre ?
Une photo de l'installation pourrait aider.
Cordialement, Martien-071
09 septembre 2025 à 13:22
consulter ce sujet Réglage manomètre sur réducteur de pression sur le forum PlomberieBonjour Terrien !
J'ai un peu de mal à comprendre le problème ... Une fuite d'eau au niveau d'un tuyau d'aspiration ?
Le tuyau devrait se trouver en dépression lors de l'aspiration et donc ce serait plutôt de l'air qui pourrait entrer ou la fuite se présente pompe arrêtée. Vous ne le précisez pas.
Le tuyau présente une spirale en relief à l'intérieur du tuyau, sur un raccord lisse ou presque il est difficile d'obtenir l'étanchéité.
Une solution à défaut de trouver le raccord adéquat (bricolage), que l'I.A. n'aurait sans doute pas trouvée serait de remplir un peu la spirale à l'intérieur du tuyau avec du silicone, d'emmancher le raccord et de ne serrer le collier qu'après durcissement du silicone.
Martien-071
J'ai un peu de mal à comprendre le problème ... Une fuite d'eau au niveau d'un tuyau d'aspiration ?
Le tuyau devrait se trouver en dépression lors de l'aspiration et donc ce serait plutôt de l'air qui pourrait entrer ou la fuite se présente pompe arrêtée. Vous ne le précisez pas.
Citation :S'il s'agit bien d'un tuyau d'aspiration il ne devrait jamais être en pression (du moins forte).
Je pense que le tuyau spiralé se déforme légèrement sous la pression, laissant passer un micro-filet d’eau.
Le tuyau présente une spirale en relief à l'intérieur du tuyau, sur un raccord lisse ou presque il est difficile d'obtenir l'étanchéité.
Une solution à défaut de trouver le raccord adéquat (bricolage), que l'I.A. n'aurait sans doute pas trouvée serait de remplir un peu la spirale à l'intérieur du tuyau avec du silicone, d'emmancher le raccord et de ne serrer le collier qu'après durcissement du silicone.
Martien-071
09 septembre 2025 à 09:42
consulter ce sujet Etanchéité raccord tuyau spirale avec pompe groupe surpression sur le forum PlomberieBonjour Terrien !
Je ne suis pas spécialiste dans ce système ...
Je crois néanmoins me rappeler que sur ces centrales il y a plusieurs fusibles en verre sur la platine ...
Sont-ils tous OK ?
Cordialement, Martien-071
Je ne suis pas spécialiste dans ce système ...
Je crois néanmoins me rappeler que sur ces centrales il y a plusieurs fusibles en verre sur la platine ...
Sont-ils tous OK ?
Cordialement, Martien-071
08 septembre 2025 à 17:52
consulter ce sujet Carte HS centrale Aritech CD3402S3 Plus sur le forum AlarmeBonjour les Terriens !
Les fils de couleur vert/jaune ou jaune/vert sont à réserver exclusivement pour les liaisons à la Terre, rien d'autre.
Enlever ces horreurs est une très bonne idée.
Point qui me semble inquiétant : des traces brunâtres sont visible sur le boitier au niveau des bornes, celles-ci semblent avoir chauffé. (on suppose un mauvais serrage).
Par expérience, des connexions qui ont bien chauffé n'offrent plus jamais la résistance de contact d'origine et optimale.
Un remplacement à faire effectuer ?
Cordialement, Martien-071
Pour agrandir l'image, cliquez dessus.

Les fils de couleur vert/jaune ou jaune/vert sont à réserver exclusivement pour les liaisons à la Terre, rien d'autre.
Enlever ces horreurs est une très bonne idée.
Point qui me semble inquiétant : des traces brunâtres sont visible sur le boitier au niveau des bornes, celles-ci semblent avoir chauffé. (on suppose un mauvais serrage).
Par expérience, des connexions qui ont bien chauffé n'offrent plus jamais la résistance de contact d'origine et optimale.
Un remplacement à faire effectuer ?
Cordialement, Martien-071
Pour agrandir l'image, cliquez dessus.

07 septembre 2025 à 13:31
consulter ce sujet Branchement au disjoncteur principal sur le forum ÉlectricitéBonjour les Terriens !
Sur la notice : Notice montage projecteur Aric il est prévu un interrupteur de forçage peut-être est-ce de ce côté qu'il faut s'orienter pour se passer de télécommande ?
Cordialement. Martien-071
Sur la notice : Notice montage projecteur Aric il est prévu un interrupteur de forçage peut-être est-ce de ce côté qu'il faut s'orienter pour se passer de télécommande ?
Cordialement. Martien-071
04 septembre 2025 à 10:31
consulter ce sujet Branchement projecteur ARIC Twister 3 Sensot sur le forum ÉlectricitéBonjour Terrien !
Pour fixer des choses sur les IPN ...
Percer l'âme (partie verticale du I) n'est pas conseillé car c'est cette partie qui assure la solidité de la poutrelle.
Percer les ailes (parties horizontales) est beaucoup moins risqué.
Il existe toute une gamme de "griffes" que l'on peut placer sur les ailes (ce sont des sortes de pinces - voir les illustration).
Il en existe pour fixer des câbles, des tuyauteries, ...
Personnellement j'ai beaucoup utilisé le modèle comportant un languette percée d'un trou : une plaque de bois, de plastique, de métal, 4 pinces et on fixe sur la poutre. ensuite sur la plaque on peut fixer un coffret, un phare, ...
Cordialement, Martien-071
Pour agrandir l'image, cliquez dessus.

Pour fixer des choses sur les IPN ...
Percer l'âme (partie verticale du I) n'est pas conseillé car c'est cette partie qui assure la solidité de la poutrelle.
Percer les ailes (parties horizontales) est beaucoup moins risqué.
Il existe toute une gamme de "griffes" que l'on peut placer sur les ailes (ce sont des sortes de pinces - voir les illustration).
Il en existe pour fixer des câbles, des tuyauteries, ...
Personnellement j'ai beaucoup utilisé le modèle comportant un languette percée d'un trou : une plaque de bois, de plastique, de métal, 4 pinces et on fixe sur la poutre. ensuite sur la plaque on peut fixer un coffret, un phare, ...
Cordialement, Martien-071
Pour agrandir l'image, cliquez dessus.

02 septembre 2025 à 18:30
consulter ce sujet Équipement hangar choix appareillages et sections des câbles ? sur le forum ÉlectricitéOups j'ai dit disjoncteur de 40 A trop vite... Lui aussi risque d'être trop juste avec un peu plus de 39 A ...
25 août 2025 à 21:55
consulter ce sujet Problème branchement générateur vapeur hammam sur le forum ÉlectricitéBonjour Terrien !
D'autres contributeurs passeront certainement.
Je me livre à un calcul rapide :
Puissance 9 kW tension 230V => intensité 9000 / 230 = 39.13 A. Il semble normal qu'un disjoncteur de calibre 20 A déclenche.
Il semble que vous ayez un abonnement pour 12 kW, cela doit suffire pour faire fonctionner le générateur.
Je pense qu'il faudra installer un disjoncteur de calibre 40 A en ayant bien vérifié que les câbles utilisés sont bien dimensionnés (sections). Si un disjoncteur 20 A ceci n'est pas certain.
Cordialement,
Martien-071
D'autres contributeurs passeront certainement.
Je me livre à un calcul rapide :
Puissance 9 kW tension 230V => intensité 9000 / 230 = 39.13 A. Il semble normal qu'un disjoncteur de calibre 20 A déclenche.
Citation :Un disjoncteur de calibre 35 A déclenchera aussi puisque l'intensité qui traverse l'appareil est de 39.13 A !
Pour résoudre mon problème suffit t il de mettre un disjoncteur de 35A ?
Il semble que vous ayez un abonnement pour 12 kW, cela doit suffire pour faire fonctionner le générateur.
Je pense qu'il faudra installer un disjoncteur de calibre 40 A en ayant bien vérifié que les câbles utilisés sont bien dimensionnés (sections). Si un disjoncteur 20 A ceci n'est pas certain.
Cordialement,
Martien-071
25 août 2025 à 21:53
consulter ce sujet Problème branchement générateur vapeur hammam sur le forum ÉlectricitéBonjour Terrien.
Je ne cherche pas la guerre avec vous mais au vu des 2 questions déjà posées :
http://www.forum-electricite.com/branchement-ordinateur-sur-circuit-12v.html
http://www.forum-electricite.com/adapter-dans-adaptateur.html
Et de la complexité que cela peut être de transformer du 12 V DC en toutes sortes d'autres tensions* afin d'alimenter divers appareils, il me semble qu'il faille se résoudre à modifier non pas les appareils mais plutôt la source d'énergie donc le "système solaire" et utiliser les adaptateurs secteurs.
* Il vous a fallu du 20 V DC pour le PC Lenovo, du 7,2 V DC pour un DAT, maintenant du 9 V AC pour un clavier, à quand le 3V, le 6V et le 24 V ?
Installez un onduleur sur votre système de panneaux photovoltaïques qui vous fournira du 220 V AC sur lequel vous pourrez brancher les alimentations de vos différents appareils.
Cordialement, Martien-071
Je ne cherche pas la guerre avec vous mais au vu des 2 questions déjà posées :
http://www.forum-electricite.com/branchement-ordinateur-sur-circuit-12v.html
http://www.forum-electricite.com/adapter-dans-adaptateur.html
Et de la complexité que cela peut être de transformer du 12 V DC en toutes sortes d'autres tensions* afin d'alimenter divers appareils, il me semble qu'il faille se résoudre à modifier non pas les appareils mais plutôt la source d'énergie donc le "système solaire" et utiliser les adaptateurs secteurs.
* Il vous a fallu du 20 V DC pour le PC Lenovo, du 7,2 V DC pour un DAT, maintenant du 9 V AC pour un clavier, à quand le 3V, le 6V et le 24 V ?
Installez un onduleur sur votre système de panneaux photovoltaïques qui vous fournira du 220 V AC sur lequel vous pourrez brancher les alimentations de vos différents appareils.
Cordialement, Martien-071
25 août 2025 à 11:30
consulter ce sujet Convertir du 12V DC vers 9V AC sur le forum ÉlectricitéBonjour Terrien !
Si et seulement si le module WiFi délivre bien un contact "sec", c'est à dire libre de potentiel NO celui-ci est à connecter au niveau du connecteur situé en bas à l'extrême droite de la carte de commande entre les bornes COM (1ère position) et OPEN ( 3éme position).
Cordialement, Martien-071
Pour agrandir l'image, cliquez dessus.

Si et seulement si le module WiFi délivre bien un contact "sec", c'est à dire libre de potentiel NO celui-ci est à connecter au niveau du connecteur situé en bas à l'extrême droite de la carte de commande entre les bornes COM (1ère position) et OPEN ( 3éme position).
Cordialement, Martien-071
Pour agrandir l'image, cliquez dessus.

22 août 2025 à 11:05
consulter ce sujet Commande wifi sur moteur full 24 sur le forum ÉlectricitéBonjour Terrien.
"Fast" est le nom des moteurs utilisés pour l'automatisme.
Les commandes se font via une carte située dans un boitier.
C'est le type de cette carte qu'il faudrait identifier afin de vous aider. Peut-être est-ce une carte ZA3 ...
Cordialement, Martien-071
"Fast" est le nom des moteurs utilisés pour l'automatisme.
Les commandes se font via une carte située dans un boitier.
C'est le type de cette carte qu'il faudrait identifier afin de vous aider. Peut-être est-ce une carte ZA3 ...
Cordialement, Martien-071
18 août 2025 à 20:55
consulter ce sujet Branchement contacteur à clé sur CAME FAST sur le forum ÉlectricitéBonjour Terrien Corentin.
Vous évoquez :
- Un émetteur Tyxia 2600 pour commande de volet roulants ou d'éclairage ... Ok
Émetteur radio commande éclairage volet roulant Tyxia 2600
et
- Un récepteur Tyxia pour volet roulants ... Aie !
Récepteur radio moteur de volet roulant jusqu'à 1 A Tyxia 5630
Une lampe connectée à la place du moteur reste en permanence allumée sauf le court instant lors de l'inversion. ce sont les fins de course du moteur qui en arrêtent le fonctionnement.
Il faudrait vous procurer les récepteurs adéquats à la commande d'éclairage comme le Tyxia 5610.
Récepteur radio 1 voie commande marche/arrêt éclairage Tyxia 5610
Cordialement, Martien-071
Vous évoquez :
- Un émetteur Tyxia 2600 pour commande de volet roulants ou d'éclairage ... Ok
Émetteur radio commande éclairage volet roulant Tyxia 2600
et
- Un récepteur Tyxia pour volet roulants ... Aie !
Récepteur radio moteur de volet roulant jusqu'à 1 A Tyxia 5630
Une lampe connectée à la place du moteur reste en permanence allumée sauf le court instant lors de l'inversion. ce sont les fins de course du moteur qui en arrêtent le fonctionnement.
Il faudrait vous procurer les récepteurs adéquats à la commande d'éclairage comme le Tyxia 5610.
Récepteur radio 1 voie commande marche/arrêt éclairage Tyxia 5610
Cordialement, Martien-071
17 août 2025 à 19:59
consulter ce sujet Nanomodules Delta Dore déporter interrupteur sur le forum ÉlectricitéBonjour Terrien !
L'appareil que vous possédez peut fonctionner suivant deux sources d'alimentation différentes :
- Via un adaptateur secteur (que vous nommez PS-D1 et que vous n'avez pas)
A noter qu'une alimentation PS-D1 était disponible pour l'Europe en 230V.
- Via batteries (je suppose au moins 6 éléments de 1,2V (Ni Cd étant donné l'âge de l'appareil)
L'adaptateur secteur d'origine remplit deux rôles :
- Chargeur d'accumulateur
- Alimentation en 7,2V DC pour le fonctionnement de l'appareil.
La fiche utilisée pour la basse tension est assez "exotique".
Le plus simple serait de se procurer l'alimentation d'origine en 230V avec le connecteur ad-hoc.
D'autres solutions sont possibles mais pour un très bon bricoleur ou un électronicien :
- Concevoir une alimentation à base de LM317 muni d'un bon radiateur ou transistor par exemple pour abaisser et réguler la tension à 7,2V ?
- Alimenter par le côté batterie ?
Cordialement, Martien-071
Pour agrandir les images, cliquez dessus.




L'appareil que vous possédez peut fonctionner suivant deux sources d'alimentation différentes :
- Via un adaptateur secteur (que vous nommez PS-D1 et que vous n'avez pas)
A noter qu'une alimentation PS-D1 était disponible pour l'Europe en 230V.
- Via batteries (je suppose au moins 6 éléments de 1,2V (Ni Cd étant donné l'âge de l'appareil)
L'adaptateur secteur d'origine remplit deux rôles :
- Chargeur d'accumulateur
- Alimentation en 7,2V DC pour le fonctionnement de l'appareil.
La fiche utilisée pour la basse tension est assez "exotique".
Le plus simple serait de se procurer l'alimentation d'origine en 230V avec le connecteur ad-hoc.
D'autres solutions sont possibles mais pour un très bon bricoleur ou un électronicien :
- Concevoir une alimentation à base de LM317 muni d'un bon radiateur ou transistor par exemple pour abaisser et réguler la tension à 7,2V ?
- Alimenter par le côté batterie ?
Cordialement, Martien-071
Pour agrandir les images, cliquez dessus.




11 août 2025 à 11:05
consulter ce sujet Adapter adaptateur enregistreur numérique DAT Tascam sur le forum ÉlectricitéBonjour Terrien !
D'après la documentation que j'ai trouvée ( page 20 ) il suffit de régler le temps avant fermeture à l'aide du potentiomètre T1.
Cordialement, Martien-071
Instructions utilisation et installation Deimos BTA 400
D'après la documentation que j'ai trouvée ( page 20 ) il suffit de régler le temps avant fermeture à l'aide du potentiomètre T1.
Cordialement, Martien-071
Instructions utilisation et installation Deimos BTA 400
09 août 2025 à 15:40
consulter ce sujet Programmer fermeture automatique portail coulissant Deimos BTA 400 sur le forum Divers






